Соединители РС РБ
Цилиндрические соединители серии РС доступны во внутриприборном и междуприборном исполнении. Работают с частотами до 3 МГц, напряжением до 200 В и током до 4 А. Включают герметичные и негерметичные соединители для электрических цепей постоянного, переменного и импульсного тока.
Наличие и срок поставки уточняйте по телефону: +7 (495) 657-87-37
Соединители предназначены для работы в электрических цепях постоянного, переменного (частотой до 3 МГц) и импульсного токов.
Соединители состоят из герметичной или негерметичной приборной вилки и негерметичной кабельной розетки.
Соединители имеют одношпоночную поляризацию.
Соединители (вилки, розетки) изготавливаются без кожуха или с кожухом.
Сочленение вилок РСТВ РБ, РСАТВ РБ, РСГТВ РБ, РСГАТВ РБ с розетками РСТВ РБ. РСАТВ РБ - резьбовое.
Сочленение вилок РСБТВ РБ. РСБАТВ РБ. РСГБТВ РБ, РСГБАТВ РБ с розетками РСБТВ РБ, РСБАТВ РБ - врубное.
Покрытие контактов в соединителях:
РСТВ РБ, РСГТВ РБ, РСБТВ РБ, РСГБТВ РБ - серебро
РСАТВ РБ, РСГАТВ РБ, РСБДТВ РБ, РСГБАТВ РБ - золото.
Соединители предназначены для внутреннего монтажа. Всеклиматического исполнения.
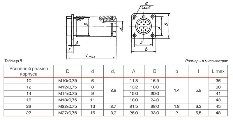
Условный размер корпусов, схема расположения контактов Ø1 мм и их количество приведены во вкладке "Технические характеристики".
| Наименование | Значение |
| Сопротивление контактов, мОм, не более | 5 |
| Сопротивление изоляции в нормальных климатических условиях, МОм, не менее | 1000 |
| Мах.ток на контакт, А | 4 |
| Температура перегрева контактов, °С не более | 20 |
| Максимальное рабочее напряжение (амплитудное значение), B | 200 |
| Скорость утечки воздуха при перепаде давления 9,806х104 Па (1 кгс/см2), для вилок РСГАТВ, РСГБАТВ, РСГТВ, РСГБТВ, л/ч, не более |
0,01 |
| Количество сочленений - расчленений | 250 |
| Минимальная наработка соединителей, часов | 1000 |
| Срок сохраняемости, лет | 15 |
| Соединители устойчивы к воздействию спецфакторов |
Обозначение соединителей при заказе и в конструкторской документации другой продукции состоит из слова «Вилка» («Розетка»), условного обозначения типоконструкции, обозначения ТУ.
Пример обозначения:
- Вилка РС4ТВ РБ ОНКС.434410.008ТУ;
- Вилка РСГ19АТВ РБ ОНКС.434410.008ТУ;
- Розетка РС4БТВ РБ ОНКС.434410.008ТУ;
- Розетка РС10БАТВ РБ ОНКС.434410.008ТУ.
При заказе розетки или вилки с кожухом добавляются слова «с кожухом» (с металлическим) или «с кожухом-2» (пластмассовым).
Если требуется вилка или розетка с кожухом, то добавляется слово «с кожухом».
Пример обозначения:
- Вилка РС4ТВ РБ с кожухом ОНКС.434410.008ТУ;
| СОЕДИНИТЕЛЯМ ПРИСВОЕНЫ УСЛОВНЫЕ ОБОЗНАЧЕНИЯ, КОТОРЫЕ СОСТОЯТ ИЗ СЛЕДУЮЩИХ КЛАССИФИКАЦИОННЫХ ПРИЗНАКОВ: |
||||||||
| РС (Г) | 4 (7,10,19,32,50) | Б А Т | В | |||||
| Тип соединителя (Г) - Герметичный |
||||||||
| Количество контактов | ||||||||
| Вид соединения вилки с розеткой: Б - врубное, без буквы - резьбовое. Вид покрытия: А - золочение, без буквы - серебрение |
||||||||
| В - Всеклиматическое исполнение (для РСТВ) | ||||||||
СХЕМЫ РАСПОЛОЖЕНИЯ КОНТАКТОВ, КОЛИЧЕСТВО И ДИАМЕТРЫ КОНТАКТОВ

ВИЛКА ПРИБОРНАЯ БЕЗ КОЖУХА

ВИЛКА ПРИБОРНАЯ РСТВ, РСАТВ, РСГТВ, РСГАТВ С КОЖУХОМ

ВИЛКА ПРИБОРНАЯ РСБТВ, РСБАТВ, РСБГТВ, РСБГАТВ С КОЖУХОМ

РОЗЕТКА КАБЕЛЬНАЯ РСТВ, РСАТВ

РОЗЕТКА ПРИБОРНАЯ РСБТВ, РСБАТВ БЕЗ КОЖУХА

РОЗЕТКА ПРИБОРНАЯ РСБТВ, РСБАТВ С КОЖУХОМ

| Механические факторы: | |
| Синусоидальная вибрация: Диапазон частот, Гц Ускорение, м/с2 (g) |
1-5000 147 (15) |
| Механический удар: Одиночного действия: Ускорение, м/с2 (g) Многократного действия: Ускорение, м/с2 (g) |
5000 (500) 500 (50) |
| Климатические факторы: | |
| Повышенная рабочая температура среды, (с учетом перегрева контактов), °С | 105 |
| Пониженная рабочая температура среды, °С | минус 60 |
| Атмосферное пониженное рабочее давление, Па (мм рт. ст.) | 1,3·10-4 (10-6) |