Соединители МР1 РБ
Низкочастотные герметичные соединители МР1-РБ с одношпоночной поляризацией предназначены для работы в электрических цепях постоянного, переменного (частотой до 3 МГц) и импульсного токов. Соединители оснащены серебряными или золотыми контактами и доступны в различных вариантах исполнения.
Наличие и срок поставки уточняйте по телефону: +7 (495) 657-87-37
Соединители предназначены для работы в электрических цепях постоянного, переменного (частотой до 3 МГц) и импульсного токов.
Соединители состоят из герметичной (МР1 РБ) или негерметичной (МР1Н РБ) вилки под объемный монтаж и негерметичной кабельной розетки.
Соединители имеют одношпоночную поляризацию.
Вилки и розетки изготавливаются без кожуха или с кожухом.
Сочленение вилок с розетками резьбовое или врубное.
Всеклиматического исполнения.
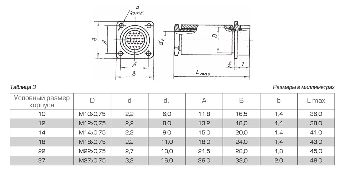
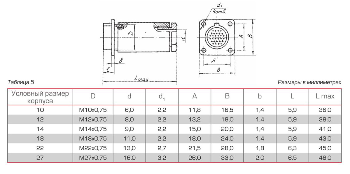
Условный размер корпусов, схема расположения контактов Ø 0,6 мм и их количество приведены во вкладке "Технические характеристики".
| Наименование | Значение |
| Сопротивление контактов, мОм, не более Объемный монтаж |
10 |
| Сопротивление изоляции в нормальных климатических условиях, МОм, не менее |
1000 |
| Мах.ток на контакт, А | 3 |
| Температура перегрева контактов, °С, не более | 20 |
| Максимальное рабочее напряжение (амплитудное значение), B | 150 |
| Скорость утечки воздуха для герметичных вилок при перепаде давления 9,806·104 Па (1 кгс/см2), л/ч, не более | 0,1 |
| Количество сочленений - расчленений | 250 |
| Минимальная наработка соединителей, часов МР1 МР1Н |
5000 10000 |
| Срок сохраняемости, лет | 15 |
| Соединители устойчивы к воздействию спецфакторов |
Обозначение соединителей при заказе и в конструкторской документации другой продукции состоит из слова «Вилка» («Розетка»), условного обозначения типоконструкции, обозначения ТУ.
При заказе розетки или вилки с кожухом добавляются слова «с кожухом» (с металлическим) или «с кожухом-2» (пластмассовым).
Примеры обозначения:
- Вилка МР1Н-50-1-В РБ ОНКС.434410.009ТУ
- Вилка МР1-19-3-В РБ с кожухом ОНКС.434410.009ТУ
| СОЕДИНИТЕЛЯМ ПРИСВОЕНЫ УСЛОВНЫЕ ОБОЗНАЧЕНИЯ, КОТОРЫЕ СОСТОЯТ ИЗ СЛЕДУЮЩИХ КЛАССИФИКАЦИОННЫХ ПРИЗНАКОВ: |
||||||||
| MP1 | H – | 10 – | 1(2–16) | B | ||||
| Тип соединителя | ||||||||
| H – только для негерметичной приборной вилки | ||||||||
| Количество контактов: см. табл. 1 | ||||||||
| Конструктивное исполнение: Вилка приборная резьбового сочленения Покрытие контактов: 1 – серебро, 2 – золото Вилка приборная врубного сочленения 3 – серебро, 4 – золото Розетка кабельная резьбового сочленения 5 – серебро, 6 – золото Розетка приборная врубного сочленения 7 – серебро, 8 – золото Вилка приборная резьбового сочленения для печатного монтажа 9 – серебро, 10 – золото Вилка приборная резьбового сочленения для печатного монтажа с токопроводным покрытием корпусных деталей 11 – серебро, 12 – золото Розетка кабельная резьбового сочленения с токопроводным покрытием корпусных деталей 13 – серебро, 14 – золото Вилка приборная резьбового сочленения для печатного монтажа с токопроводным покрытием корпусных деталей 15 – серебро, 16 – золото |
||||||||
| B – Всеклиматическое исполнение (для MP1, MP1H) | ||||||||
СХЕМЫ РАСПОЛОЖЕНИЯ КОНТАКТОВ, КОЛИЧЕСТВО И ДИАМЕТРЫ КОНТАКТОВ

Вилка приборная без кожуха

Вилка приборная резьбового сочленения с кожухом

Вилка приборная врубного сочленения с кожухом

Розетка кабельная резьбового сочленения

Розетка приборная врубного сочленения без кожуха

Розетка приборная врубного сочленения с кожухом

| Механические факторы: | ||
| Синусоидальная вибрация: Диапазон частот, Гц Ускорение, м/с2 (g) |
1-800 98,1 (10) |
800-5000 147 (15) |
| Механический удар: Одиночного действия: Ускорение, м/с2 (g) Многократного действия: Ускорение, м/с2 (g) |
1471 (150) 343 (35) |
|
| Климатические факторы: | ||
| Повышенная рабочая температура среды, (с учетом перегрева контактов), °С | 105 | |
| Пониженная рабочая температура среды, °С | минус 60 | |
| Атмосферное пониженное рабочее давление, Па (мм рт. ст.) | 1,3·10-4 (10-6) | |